NL6448BC20-21C 6.5" VGA LCD for Industrial Display

Author: ANDESOURCE Date: 26/03/25
252

The NL6448BC20-21C is a high-quality 6.5’’ VGA LCD module originally developed by NEC/NLT, widely used in industrial display applications for its reliability and long lifecycle support. It has 640 × 480 VGA resolution for clear image performance. One of the key highlights of the NL6448BC20-21C is its impressive 800 nits high brightness, combined with advanced T-EVT (Enhanced Transmissive Technology).

In this article, Mega will provide a comprehensive overview of the NL6448BC20-21C, covering its specifications, features, structure, principles, typical applications, and more, to help you better understand this industrial display.

 

NL6448BC20-21C Technical Specs

Now, we present the key technical specifications of the NL6448BC20-21C in a clear table below, allowing you to quickly get its core parameters for easy evaluation and selection.

Parameter

Value

Brand

NLT

Model

NL6448BC20-21C

Size

6.5"

Composition

LCM

Resolution

640(RGB)×480,   VGA  122PPI

Luminance

800 cd/m² (Typ.)

Contrast   Ratio

600:1 (Typ.)   (TM)

Viewangle

80/80/80/60

Color Depth

262K/16.7M     36% NTSC

Light Source

6 strings WLED   , Without Driver

Interface   Type

LVDS (1 ch,   6/8-bit) , 20 pins Connector

Active Area

135.9(W)×102.8(H)   mm

Pixel Format

RGB Vertical   Stripe

Frame Rate

60Hz

Touchscreen

Without

Voltage   Supply

3.3V (Typ.)

Weight

170/190g   (Typ./Max.)

Outline Size

153(W)×118(H)   ×9.5(D) mm

Max Ratings

Operating   Temperature: -20 ~ 70 °C ; 

Storage   Temperature: -30 ~ 80 °C 

Refer to NL6448BC20-21C Datasheet PDF

(Contact us for a quote)

 

NL6448BC20-21C Structure and Principle

Color LCD module NL6448BC20-21C is composed of the amorphous silicon thin film transistor liquid crystal display (a-Si TFT LCD) panel structure with driver LSIs for driving the TFT (Thin Film Transistor) array and a backlight.

The a-Si TFT LCD panel structure injects liquid crystal material into a narrow gap between the TFT array glass substrate and a color-filter glass substrate. Color (Red, Green, Blue) data signals from a host system (e.g., signal generator, etc.) are modulated into the best form for an active matrix system by a signal processing board, and sent to the driver LSIs, which drive the individual TFT arrays.

The TFT array, as an electro-optical switch, regulates the amount of transmitted light from the backlight assembly, when it is controlled by data signals. Color images are created by regulating the amount of transmitted light through the TFT array of red, green and blue dots.

 

NL6448BC20-21C Features

In this section, we highlight the key features of the NL6448BC20-21C, and you will know why it is a versatile solution for industrial display applications.

 

Adoption of T-EVT (Transmissive-Enhanced View TFT)

The NL6448BC20-21C uses T-EVT technology, which enhances the transmissive efficiency of the TFT panel.

 

High Luminance

With a brightness level of up to 800 nits, this display remains readable in well-lit indoor and semi-outdoor environments.

 

High Contrast

The panel offers a high contrast ratio, delivering deeper blacks and brighter whites.

 

Low Reflection

The low-reflection polarizer reduces glare from ambient light sources, it can improve readability and reduce eye strain.

 

LVDS Interface

Equipped with an LVDS interface, the module ensures fast, stable, and noise-resistant data transmission.

 

Reversible-Scan Direction

The display supports reversible-scan direction, allowing integration into devices with different mounting orientations.

 

Selectable 8-bit or 6-bit Digital Signals for RGB Data

The module allows users to select 8-bit or 6-bit RGB data input, providing adaptability for various system requirements while balancing color depth and cost.

 

LED Backlight

The integrated LED backlight ensures uniform illumination, energy efficiency, and long operational lifespan.

 

Replaceable Lamp for Backlight

The LED backlight is designed to be replaceable, reducing total cost of ownership over the display’s lifecycle.

(Contact us for a quote)

 

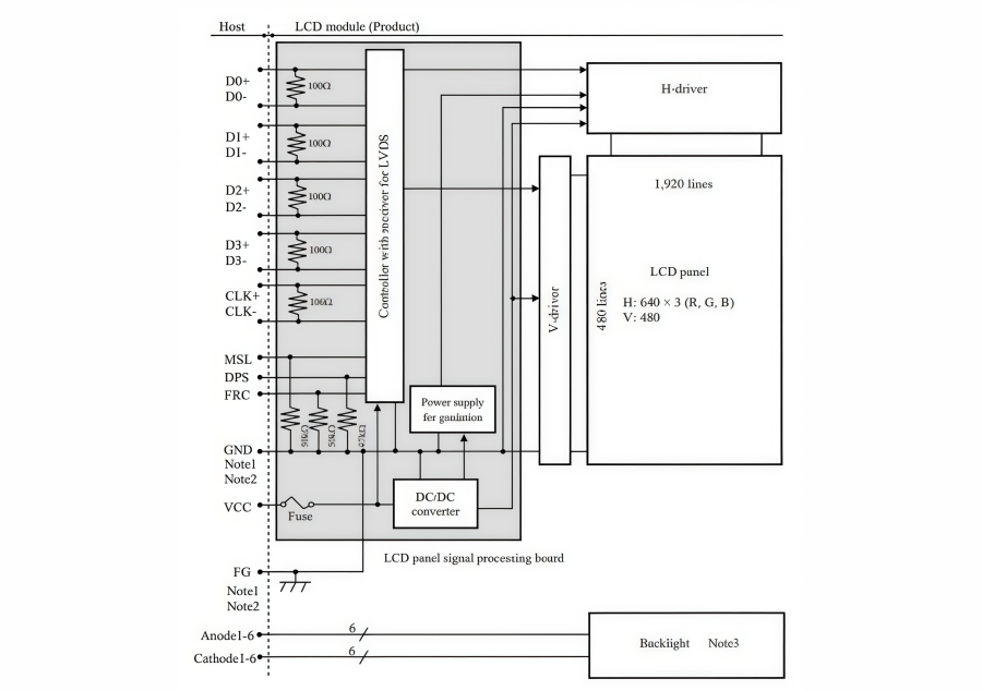
NL6448BC20-21C Block Diagram

NL6448BC20-21C 6.5

Note1: Relations between GND (Signal ground) and FG (Frame ground) in the LCD module are as follows.

GND - FG

Connected

Note2: GND and FG must be connected to customer equipment’s ground, and it is recommended that these grounds are connected together in customer equipment.

Note3: Backlight detail

 Note3: Backlight detail

NL6448BC20-21C Target Applications

In this section, we highlight the industrial applications of the NL6448BC20-21C LCD panel. It's an ideal choice for industrial control panels, embedded systems, automation equipment, and other display uses. Now, let's see below!

 

1. Industrial Control Panels

The high brightness and high contrast of the NL6448BC20-21C ensure that operators can clearly read critical information under various lighting conditions. Its wide temperature tolerance also guarantees reliable long-term operation.

l  Factory automation control cabinets

l  Production line monitoring terminals

l  Energy management system displays

 

2. Automated Machinery and Robot Interfaces

With a wide viewing angle and low-reflection design, the NL6448BC20-21C provides stable and clear visuals on industrial machinery and robot control terminals, even when viewed from multiple angles.

l  CNC machine operation panels

l  Industrial robot control interfaces

 

3. Instrumentation and Measurement Devices

The high-precision display and LED backlight make this module suitable for various instrumentation devices, ensuring numerical and graphical data are clear in both bright and low-light environments.

l  Power monitoring instruments

l  Laboratory analyzers

l  Industrial test and measurement device displays

 

4. Warehousing and Logistics Terminals

The high brightness and replaceable backlight design ensure operators can continuously read information in warehousing and logistics operations, improving efficiency and reducing errors.

l  Automated sorting system screens

l  Logistics monitoring panels

 

5. Medical and Laboratory Equipment

The low-reflection surface and selectable RGB data depth support detailed display, allowing precise visualization of images and data in medical and laboratory applications.

l  Medical monitoring instruments

l  Laboratory data acquisition terminals

(Contact us for a quote)

 

Replacement & Compatibility

In the industrial display market, finding a direct replacement for the NL6448BC20-21C is a common challenge. Whether you are performing a repair or a system upgrade, understanding compatibility is the key.

 

Direct & Functional Replacements

l  NL6448BC20-21D: This is the most common functional alternative. The primary difference is the surface treatment; while the "-21C" has a Clear surface for higher perceived contrast, the "-21D" features an Anti-Glare (AG) coating, which is often preferred for reducing reflections in bright environments.

l  NL6448BC20-30 Series: Newer generations offer improved LED backlighting and higher efficiency. The 20-pin LVDS interface remains, but users should verify backlight driver requirements, as voltage and connector types can differ between older CCFL-compatible LED strings and modern integrated drivers.

 

Compatibility Checkpoints

When selecting a substitute for the NL6448BC20-21C, you must ensure the following three criteria are met:

l  Optical Alignment: Since the "-21C" is a TN panel, pay close attention to the Viewing Direction. Replacing it with an IPS panel might improve angles but could require a 180° image flip via the "Scan" pin or software.

l  Luminance Requirements: If your application is outdoors, do not settle for a standard 350-450 nit panel.

l  Mechanical Dimensions: Industrial chassis are often precision-milled. Ensure the outer bezel dimensions and screw hole positions of the replacement match the 153.0 x 118.0 mm footprint of the original module.

(Contact us for a quote)

 

ANDE Electronics: Reliable LCD Display Solutions

NL6448BC20-21C 6.5

As a professional display supplier, Ande Electronics is committed to providing LCD modules that meet modern application needs.

We offer not only high-quality display products but also reliable technical support and flexible purchasing options. Our experienced engineering team works closely with customers to provide guidance on module selection, integration, and optimization.

Choosing Ande Electronics, then engineers and manufacturers will gain a partner focused on quality, innovation, and efficiency.

 


Protect Your Rights & Enjoy Unbeatable LCD Deals!


Info of submission


Email:ande