FDB075N15A Description
The FDB075N15A is a high-performance N-Channel power M
OSFET manufactured using onsemi’s advanced POWERTRENCH™ process. This process optimizes the trench structure to effectively reduce the on-state resistance (Rds(on)), minimizing conduction losses and improving overall efficiency. At the same time, the device maintains excellent switching performance, enabling fast response and low switching losses in high-frequency applications.
In practical applications, the FDB075N15A is widely used in switched-mode power supplies (SMPS), DC-DC converters, motor drives, and load switches. Additionally, it features a low gate charge (Qg), which helps reduce drive power consumption and enhance overall system energy efficiency.
FDB075N15A Key Specifications
Parameter | Value |
Part Number | FDB075N15A |
Description | MOSFET N-CH 150V 130A D2PAK |
Mounting Type | Surface Mount |
Drive Voltage (Max Rds On, Min Rds On) | -55°C ~ 175°C (TJ) |
Operating Temperature | ±0.2% |
Current - Continuous Drain (Id) @ 25°C | 130A (Tc) |
Vgs (Max) | ±20V |
Vgs(th) (Max) @ Id | 4V @ 250µA |
Gate Charge (Qg) (Max) @ Vgs | ±50ppm/°C |
Moisture Sensitivity Level (MSL) | 1 (Unlimited) |
Input Capacitance (Ciss) (Max) @ Vds | 7350pF @ 75V |
Drain to Source Voltage (Vdss) | 150V |
Rds On (Max) @ Id, Vgs | 7.5 mOhm @ 100A, 10V |
Package | TO-263 (D2PAK) |
Base Product Number |
FDB075N15A Features
• RDS(on) = 6.25 m (Typ.) @ VGS = 10 V, ID = 100 A
• Fast Switching
• Low Gate Charge
• High Performance Trench Technology for Extremely Low RDS(on)
• High Power and Current Handling Capability
• RoHS Compliant
FDB075N15A Pinout

The FDB075N15A’s pin configuration follows the typical three-terminal structure. It mainly includes Gate, Drain, and Source, with the functions of each pin described as follows:
1. Gate (G)
The Gate is the control terminal used to switch the MOSFET on and off. When a certain voltage (Vgs) is applied between the gate and source, a conductive channel is formed, allowing the device to turn on. When the voltage falls below the threshold, the device turns off. The gate features high input impedance and low drive power consumption, but proper ESD protection is required.
2. Drain (D)
The Drain serves as the current input terminal (for an N-channel MOSFET). When the device is on, current flows from the drain to the source. The drain is typically connected to the load or power supply and handles the main power transfer in applications such as switching power supplies and motor drives. Proper thermal management is important, as most of the power dissipation occurs at this terminal.
3. Source (S)
The Source is the current output terminal and is usually connected to ground or a reference potential. In the conduction state, current flows from the drain through the channel and exits via the source. The source also serves as the reference point for the gate drive voltage (Vgs) and is often connected to ground or used with a sensing resistor for current measurement in circuit design.
FDB075N15A Test Circuits

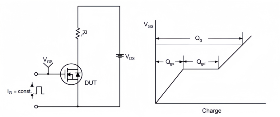
Figure 1. Gate Charge Test Circuit & Waveform
Figure 1 shows a test circuit where a constant current source drives the gate to accurately measure the charge characteristics of the FDB075N15A.
The waveform highlights three key stages of the switching process: first, the Qgs stage where VGS rises to the threshold; next, the critical “Miller plateau” (Qgd), where the voltage remains constant while the charge counters the drain voltage change — shorter duration here means lower switching loss; finally, the total gate charge (Qg) stage where the voltage continues rising to saturation.

Figure 2. Resistive Switching Test Circuit & Waveforms
Figure 2 illustrates the process of testing the switching speed of the FDB075N15A using a resistive load. The waveform clearly defines four key parameters: turn-on delay (td(on)) and rise time (tr), which determine how fast the device turns on; and turn-off delay (td(off)) and fall time (tf), which reflect the efficiency of switching back to the off state.
For high-frequency applications, smaller values mean shorter overlap between VDS and VGS during transitions, effectively reducing switching-related power losses.

Figure 3. Unclamped Inductive Switching Test Circuit & Waveforms
Figure 3 illustrates the UIS test, measuring the avalanche ruggedness of the FDB075N15A. It simulates the high-voltage spike from an inductive load shut-off, forcing the device into breakdown (BVDSS). The formula EAS = ½LI²AS quantifies the maximum energy the MOSFET can absorb before failing. A high EAS confirms the device's ability to survive extreme overvoltage transients and circuit surges.
FDB075N15A Applications
Synchronous Rectification for ATX / Server / Telecom PSU
Used as a synchronous rectifier on the secondary side to replace diodes, significantly reducing conduction losses and improving overall efficiency. Ideal for high-current, high-efficiency power supply designs.
Battery Protection Circuits
Acts as a switching element in battery management systems (BMS) to protect against overcharge, overdischarge, overcurrent, and short circuits. Its low Rds(on) helps minimize power loss and heat generation.
Motor Drives and Uninterruptible Power Supplies (UPS)
Suitable for motor control circuits and UPS systems, providing fast switching and reliable performance under high current conditions, ensuring stable operation and improved energy efficiency.
Micro Solar Inverters
Enables efficient DC-AC conversion in small-scale photovoltaic systems. Its low switching loss and high-speed performance contribute to higher energy conversion efficiency.
DC-DC Converters
Ideal for high-frequency DC-DC conversion applications, such as buck and boost converters, offering low conduction and switching losses for improved power density and thermal performance.
Load Switching Applications
Used as a high-efficiency load switch in power distribution systems, allowing precise control of power delivery while reducing energy loss and improving system reliability.
FDB075N15A Package

ANDE Electronics: Your Trusted Partner in Electronic Component Sourcing

At ANDE Electronics, we make getting the electronic components you need simple and fast. We work directly with top global manufacturers to provide high-quality components that have passed our strict checks, so you can count on them for your projects.
We also focus on quick and consistent delivery to keep your work on schedule and avoid delays. When you need reliable and efficient electronic parts for your projects, ANDE Electronics is a partner you can trust.

