STR2P3LLH6 Overview
The STR2P3LLH6 is a P-channel power MOSFET manufactured by STMicroelectronics. It is developed using STripFET™ H6 technology, which features an advanced trench gate structure. This technology enables the device to achieve very low RDS(on) across different package options, helping reduce conduction losses and improve overall efficiency.
The main advantages of the STR2P3LLH6 are its low on-resistance, good thermal performance, and reliable switching behavior, which help improve overall system efficiency and stability. It is well-suited for applications such as power management, load switching, and protection circuits.
STR2P3LLH6 Key Specs
Parameter | Value |
Part Number | STR2P3LLH6 |
Description | MOSFET P-CH 30V 2A SOT-23 |
Moisture Sensitivity Level (MSL) | 1 (Unlimited) |
Input Capacitance (Ciss) (Max) @ Vds | 639pF @ 25V |
Operating Temperature | 150°C (TJ) |
Lead Free Status / RoHS Status | Lead free / RoHS Compliant |
Mounting Type | Surface Mount |
Drain to Source Voltage (Vdss) | 30V |
Current - Continuous Drain (Id) @ 25°C | 2A (Ta) |
Package | TO-236-3, SC-59, SOT-23-3 |
Manufacturer Standard Lead Time | 38 Weeks |
Vgs(th) (Max) @ Id | 2.5V @ 250µA |
Gate Charge (Qg) (Max) @ Vgs | 6nC @ 4.5V |
Rds On (Max) @ Id, Vgs | 56 mOhm @ 1A, 10V |
Drive Voltage (Max Rds On, Min Rds On) | 4.5V, 10V |
Vgs (Max) | ±20V |
Power Dissipation (Max) | 350mW (Tc) |
FET Type | P-Channel |
Technology | MOSFET (Metal Oxide) |
STR2P3LLH6 Pin Description

Pin 1 – G (Gate):
The control terminal of the MOSFET. Applying an appropriate voltage between the gate and source controls the on/off state of the device.
Pin 2 – S (Source):
The source terminal of the P-channel MOSFET. It is typically connected to the positive supply in high-side switching applications.
Pin 3 – D (Drain):
The drain terminal. Current flows between the source and drain when the MOSFET is turned on, supplying power to the load.
STR2P3LLH6 Features
l Very low on-resistance (low RDS(on))
l Very low gate charge
l High avalanche ruggedness
l Low gate drive power loss
l High-efficiency energy conversion
l Suitable for load on/off control
l Reduces system power consumption
l Utilizing STripFET™ H6 technology
l Excellent thermal performance
l Logic-level drive
l Wide operating temperature range
l 100% avalanche tested
l RoHS compliant
STR2P3LLH6 Test Circuits

Switching times test circuit for resistive load
This test circuit illustrates how to measure the switching times of the STR2P3LLH6 MOSFET when driving a resistive load (RL). At the core of the setup is the Device Under Test (D.U.T.) located at the bottom. The Drain (D) terminal is connected to a load resistor RL and a DC power supply VDD, forming a typical power-switching loop. To maintain power stability, two capacitors of different capacities (2200 μF and 3.3 μF) are connected in parallel; they can prevent significant voltage fluctuations during sudden current surges.

Gate charge test circuit
This circuit diagram shows how to measure the gate charge of the STR2P3LLH6. The main goal is to see how much charge the driver must supply to the gate when the MOSFET turns on. A constant current source IGG is used to drive the gate directly. This makes the gate-source voltage VGS rise linearly over time. The drain (D) is connected to an inductor L and the supply VDD. This inductive load better simulates real switching conditions, such as in power conversion or motor drive applications.

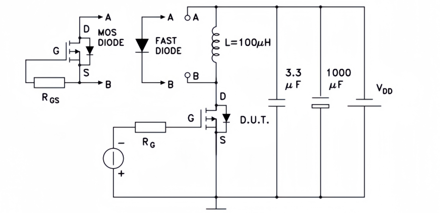
Inductive load switching and diode recovery times
The most important part of this circuit is a 100μH inductor (L) connected to the drain (D) terminal. This setup simulates how a MOSFET works in real-life applications with inductive parts, such as motor controls or power supplies.
In this circuit, testers can choose either a "Fast Diode" or a "MOS Diode" as a path for the current. When the MOSFET turns off, the energy stored in the inductor is released through the diode loop. By tracking the voltage and current changes during this process, engineers can accurately measure the "reverse recovery time" needed for the diode to switch from on to off.
STR2P3LLH6 Applications
Switching applications
STR2P3LLH6 is widely used in electronic switching circuits. It responds fast to drive signals and reduces power loss during on and off switching. This helps improve overall system efficiency.
High-side switching
As a P-channel MOSFET, it is well suited for high-side switch designs. The drive circuit is simple. No extra bootstrap circuit is needed, unlike N-channel MOSFETs. It can directly control the load power path.
Power management modules (PMU)
In power management systems, this device is used for power path control and voltage switching. Its low RDS(on) reduces power loss and heat, improving efficiency and reliability.
Load on/off control
It is often used as an electronic fuse or load switch. In standby mode, STR2P3LLH6 can fully cut off power to downstream devices. This lowers leakage current and extends battery life.
Industrial control and automation equipment
With strong robustness and high avalanche capability, it can handle EMI and voltage surges in industrial environments. It ensures long-term stable operation in PLC output modules and industrial sensor drivers.
Consumer electronics power and control circuits
In smartphones, tablets, and laptops, this MOSFET is often used in charge and discharge protection circuits. Its logic-level drive allows direct control by a microcontroller, supporting compact and low-power designs.
STR2P3LLH6 Package
In this section, the package information of the STR2P3LLH6 is presented. The device comes in a compact SOT-23 package, which is easy to integrate onto various PCBs while providing reliable mechanical strength and soldering performance. This section lists its package outline dimensions and mechanical data.

ANDE Electronics: Your Trusted Partner in Electronic Component Sourcing

At ANDE Electronics, we make getting the electronic components you need simple and fast. We work directly with top global manufacturers to provide high-quality components that have passed our strict checks, so you can count on them for your projects.
We also focus on quick and consistent delivery to keep your work on schedule and avoid delays. When you need reliable and efficient electronic parts for your projects, ANDE Electronics is a partner you can trust.

