L4971D Overview
The L4971D is a step-down monolithic power switching regulator to deliver up to 1.5A output current with output voltages adjustable between 3.3V and 50V through a simple external divider. Built using BCD mixed technology, it integrates a power D-MOS transistor with a typical Rds(on) of 0.25Ω, enabling high efficiency and fast switching performance.
The regulator incorporates multiple advanced features such as pulse-by-pulse current limiting, hiccup mode short-circuit protection, voltage feedforward regulation, soft-start, feedback disconnection protection, inhibit function for zero current consumption, and thermal shutdown.
The L4971D is offered in SO16W package for SMD assembly, ensuring flexibility for different design requirements. Its combination of wide input range, high efficiency, and comprehensive protection functions makes it a reliable choice for industrial, automotive, and general-purpose DC-DC conversion applications.
L4971D Key Specification
Parameter | Value |
Part Number | L4971D |
Description | IC REG BUCK ADJ 1.5A 16SOIC |
Lead Free Status / RoHS Status | Lead free / RoHS Compliant |
Current - Output | 1.5A |
Voltage - Output (Min/Fixed) | 3.3V |
Output Type | Adjustable |
Function | Step-Down |
Packaging | Tube |
Frequency - Switching | 100kHz ~ 300kHz |
Number of Outputs | 1 |
Moisture Sensitivity Level (MSL) | 3 (168 Hours) |
Manufacturer Standard Lead Time | 38 Weeks |
Supplier Device Package | 16-SO W |
Mounting Type | Surface Mount |
Operating Temperature | -40°C ~ 150°C (TJ) |
Base Part Number | L4971 |
Output Configuration | Positive |
Topology | Buck |
Meta Part Number | 497-3357-5-ND |
Voltage - Input (Min) | 8V |
Package / Case | 16-SOIC (0.295, 7.50mm Width) |
Voltage - Input (Max) | 55V |
Voltage - Output (Max) | 50V |
Synchronous Rectifier | No |
L4971D Pin Description

N.C. (1, 7, 8, 9, 10, 15, 16) – No Connection. These pins are not internally connected and should be left floating or tied to ground for mechanical stability, but they have no electrical function.
GND (2) – Ground. This is the reference pin for the entire device. Connect to system ground.
SS_INH (3) – Soft-start and Inhibit. An external capacitor connected here defines the soft-start time. Pulling this pin low inhibits the device, reducing consumption to zero.
OSC (4) – Oscillator. An external resistor-capacitor network connected here sets the switching frequency of the regulator.
OUT (5, 6) – Output Pins. These pins provide the switched output from the internal DMOS transistor. They must be connected to the external inductor and diode in the buck regulator circuit.
FB (14) – Feedback Input. Used to sense the output voltage through an external resistor divider. It regulates the output voltage by comparing it with the internal reference.
COMP (13) – Compensation. This pin connects to the output of the error amplifier. An external RC network is typically used here to stabilize the feedback loop.
BOOT (12) – Bootstrap. A capacitor between this pin and OUT provides the necessary gate drive voltage for the internal high-side DMOS switch.
VCC (11) – Supply Voltage. This is the input power supply pin of the IC, with a wide operating range. Proper decoupling capacitors should be placed close to this pin.
L4971D Highlights
■ UP to 1.5A Step Down Converter
■ Operating Input Voltage From 8V to 55V
■ Precise 3.3V (±1%) Internal Reference Voltage
■ Output Voltage Adjustable From 3.3V to 50V
■ Switching Frequency Adjustable Up to 300KHz
■ Voltage Feedforward
■ Zero Load Current Operation
■ Internal Current Limiting (Pulsebypulse And Hiccup Mode)
■ Inhibit for Zero Current Consumption
■ Protection Against Feedback Disconnection
■ Thermal Shutdown
■ Soft Start Function
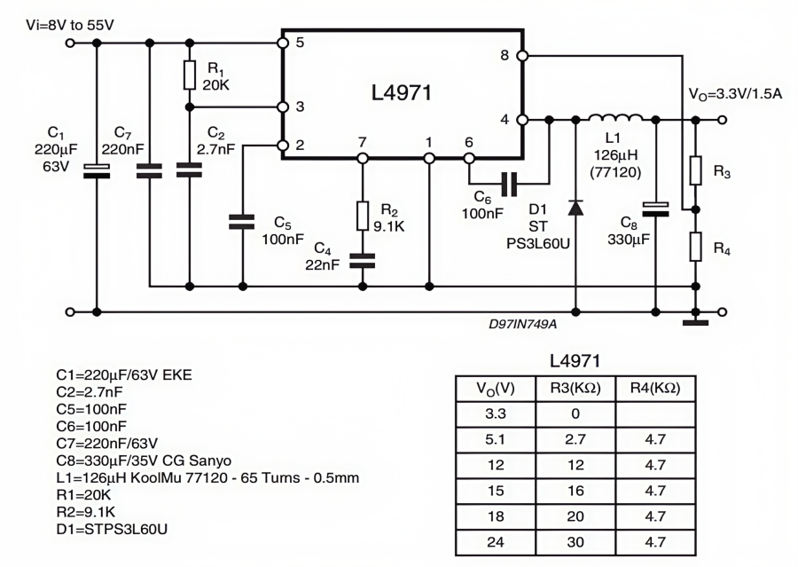
L4971D Test and Valuation Board Circuit

The L4971D test and evaluation board shows a typical buck converter design that delivers 3.3V/1.5A output from a wide input range of 8V to 55V. Key components include an external feedback network (R3, R4) to set output voltage, an inductor (126µH) for energy storage, and a Schottky diode (STPS3L60U) for fast switching efficiency. Input and output capacitors ensure stable filtering and smooth voltage regulation.
The board also demonstrates easy voltage adjustability with different resistor values, covering outputs from 3.3V to 24V. Additional capacitors provide loop compensation and noise reduction, ensuring stable operation. With built-in protections like current limiting, soft-start, and thermal shutdown, the evaluation board offers a reliable platform to test and validate the L4971D in practical applications.
L4971D Applications and Use Cases
1. Automotive Power Supplies
The L4971D step-down converter is ideal for automotive applications due to its wide input voltage range and high efficiency. It can regulate voltage for various subsystems while ensuring minimal heat generation and stable operation under fluctuating battery conditions.
Examples:
l Powering infotainment systems in cars
l Supplying voltage to automotive sensors and ECUs
l Supporting LED lighting circuits in vehicles
2. Industrial Control Systems
Industrial machinery often requires reliable voltage regulation for motors, sensors, and control electronics. The L4971D provides precise step-down conversion and overcurrent protection for these environments.
Examples:
l PLCs (Programmable Logic Controllers)
l Motor driver circuits
l Factory automation sensors
3. Battery-Powered Devices
With efficient step-down regulation and low quiescent current, the L4971D is well-suited for devices running on batteries. It helps extend battery life while providing stable output voltages for sensitive electronics.
Examples:
l Portable medical devices
l Handheld measurement instruments
4. Communication Equipment
Communication devices often require multiple voltage rails with tight regulation. The L4971D offers stable power delivery, reducing noise and enhancing signal integrity.
Examples:
l Base stations and repeaters
l Networking routers and switches
l RF modules and transmitters
5. LED and Display Drivers
LEDs and display panels require stable voltage and current for consistent brightness and performance. The L4971D can efficiently convert higher voltages to the levels required for these components.
Examples:
l Automotive dashboard displays
l LED signage and indicator lights
l Industrial touchscreens and monitors
6. Test and Measurement Equipment
Description: Precise and reliable voltage conversion is critical in test instruments. The L4971D typically gives regulated outputs and protection features for accurate measurement results and safe operation.
Examples:
l Laboratory power supplies
l Data acquisition modules
L4971D Package
The L4971D comes in a 16-SOIC package. As shown in the diagram, it describes the package form, key dimensional parameters, structural features related to installation and connection of the L4971D's 16 - SOIC package based on the diagram.

FAQs
What is the input voltage range of the L4971D?
The L4971D has a wide input voltage range, which is between 8V and 55V.
What protection functions does the L4971D have?
The L4971D has multiple protection functions, including pulse - by - pulse current limit, hiccup mode for short - circuit protection, voltage feed - forward regulation, soft - start, protection against feedback loop disconnection, inhibit for zero current consumption, and thermal shutdown.
What kind of package does the L4971D use?
The L4971D uses a 16 - SOIC (Small Outline Integrated Circuit) package.
ANDESOURCE: Your Trusted Partner in Electronic Component Sourcing
At ANDESOURCE, we don’t just facilitate electronic component sourcing, we streamline it into a seamless, tailored experience built around your unique needs.
We have established long-standing, strategic partnerships with leading global manufacturers and get high-quality electronic parts. Every component in our supply chain undergoes rigorous inspection and quality verification, which safeguards your production or project integrity.
Beyond sourcing and quality, we prioritize speed: our prompt, consistent delivery services are designed to eliminate delays, keeping your workflows on schedule and your projects moving forward. When you need efficient, customized electronic component sourcing you can trust, choose ANDESOURCE please!

